Ứng dụng Hệ thống CNTT Y tế Acrel tại Bệnh viện Malaysia
Trang chủ / Dự án / bệnh viện / Ứng dụng Hệ thống CNTT Y tế Acrel tại Bệnh viện Malaysia

Ứng dụng Hệ thống CNTT Y tế Acrel tại Bệnh viện Malaysia

Với việc sử dụng ngày càng nhiều thiết bị y tế điện tử trong bệnh viện, nguy cơ rò rỉ dòng điện đặt ra mối đe dọa đáng kể đối với sự an toàn của bệnh nhân, đặc biệt là trong môi trường chăm sóc quan trọng. Trong quá trình phẫu thuật hoặc gây mê, bệnh nhân được kết nối trực tiếp với nhiều điện cực và cảm biến khác nhau. Ngay cả dòng điện rò rỉ tối thiểu cũng có thể gây điện giật khi các thiết bị y tế tiếp xúc trực tiếp với cơ thể con người.

Hơn nữa, các thiết bị hỗ trợ sự sống cho bệnh nhân nguy kịch phải duy trì hoạt động liên tục. Bất kỳ sự cố mất điện nào cũng có thể gây nguy hiểm ngay lập tức đến tính mạng của bệnh nhân. Vì vậy, hệ thống điện bệnh viện phải tuân thủ nghiêm ngặt các tiêu chuẩn quốc gia bằng cách triển khai hệ thống cung cấp điện CNTT tại các khu vực được chỉ định.

Nghiên cứu điển hình này chứng minh việc áp dụng hệ thống cung cấp điện cách ly y tế của Acrel ở Malaysia, bao gồm:

Phân phối điện CNTT y tế

Thiết bị giám sát cách điện

Hệ thống định vị lỗi

Liên hệ với chúng tôi
  • Tổng quan dự án
  • Tổng quan dự án
    Malaysia I.E.D có trụ sở tại SELANGOR DARUL EHSAN, dự án chủ yếu được sử dụng tại bệnh viện đảo ở Malaysia, các sản phẩm được sử dụng để định vị lỗi cách điện 12 mạch cho 3 bộ hệ thống điện cách ly bệnh viện, các sản phẩm liên quan là thiết bị giám sát cách điện AIM-M200, bộ tạo tín hiệu kiểm tra ASG150, chỉ báo cảnh báo tập trung AID150, bộ định vị lỗi cách điện AIL150-8, AIL150-4 và máy biến dòng rò AKH-0,66P26.


    Giới thiệu hệ thống CNTT y tế
    Thiết bị giám sát cách điện hệ thống CNTT y tế ACREL và hệ thống định vị lỗi phù hợp với phòng mổ bệnh viện, ICU (CCU) và những nơi quan trọng khác, đồng thời có thể cung cấp một nơi an toàn cho các giải pháp nguồn điện liên tục, đáng tin cậy như vậy.


    Giải pháp cung cấp điện cho các địa điểm y tế
    Giải pháp phân phối phường ICU, CCU (ví dụ sơ đồ hệ thống tủ điện cách ly GGF-I8G)


    Tùy chọn I không có chức năng định vị lỗi


    Phương án II với chức năng định vị lỗi

    LƯU Ý: Trong giải pháp phân phối điện của phòng chăm sóc đặc biệt, nên lắp đặt thiết bị báo động và hiển thị tập trung dòng AID tại trạm y tá, nhân viên bệnh viện trạm y tá theo dõi trạng thái hoạt động của từng hệ thống điện cách ly.


    Giải pháp phân phối phòng mổ (ví dụ sơ đồ hệ thống tủ điện cách ly GGF-O8G)

    Tùy chọn I không có chức năng định vị lỗi cách điện


    Phương án II với chức năng định vị lỗi cách điện

    1. Trong các giải pháp phân phối điện trong phòng mổ, nên lắp đặt dòng thiết bị báo động và hiển thị bên ngoài AID trên bảng thông minh bên trong phòng mổ hoặc bên cạnh bảng thông minh (lắp đặt trên tường). Trong quá trình phẫu thuật, các nhân viên y tế theo dõi tình trạng hệ thống điện bị cô lập.

    2. Trong sơ đồ có chức năng định vị lỗi cách điện, nếu số lượng kênh định vị lớn hơn 8 thì có thể sử dụng hai bộ định vị AIL150. Sự kết hợp có thể là AIL150-8 và AIL150-4 (tối đa 12 kênh) hoặc AIL150 -8 và AIL150-8 (tối đa 16 kênh).

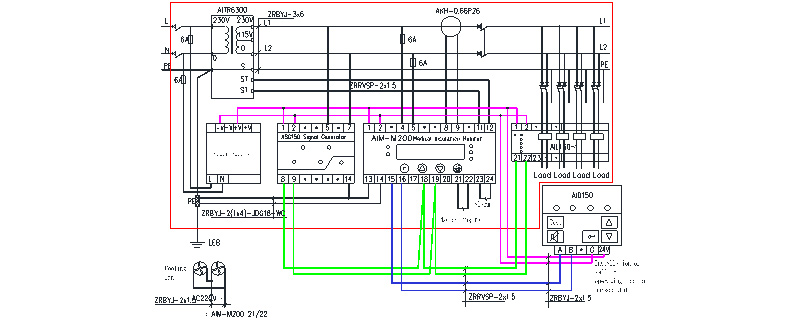
    3. Sơ đồ nối dây điển hình






    4. Giới thiệu IT y tế 7 món

    Tên và loại sản phẩm Hình ảnh sản phẩm Mô tả
    Máy biến áp cách ly y tế dòng AITR Máy biến áp cách ly dòng AITR được sử dụng đặc biệt trong các hệ thống CNTT y tế. Các cuộn dây được xử lý bằng lớp cách điện kép và có lớp chắn tĩnh điện, giúp giảm nhiễu điện từ giữa các cuộn dây. Cảm biến nhiệt độ PT100 được lắp trong túi dây để theo dõi nhiệt độ của máy biến áp. Toàn bộ thân xe được xử lý bằng sơn xâm lấn chân không, giúp tăng độ bền cơ học và khả năng chống ăn mòn. Sản phẩm có hiệu suất tăng nhiệt độ tốt và độ ồn rất thấp.
    Thiết bị giám sát cách điện thông minh y tế AIM-M200 Thiết bị giám sát cách điện thông minh y tế AIM-M200 áp dụng công nghệ vi điều khiển tiên tiến, có khả năng tích hợp cao, kích thước nhỏ gọn, lắp đặt thuận tiện và tích hợp trí thông minh, số hóa và kết nối mạng trong một. Đây là lựa chọn lý tưởng để giám sát cách điện của hệ thống điện cách ly ở các địa điểm y tế Loại 2 như phòng phẫu thuật và phòng chăm sóc đặc biệt.
    Máy biến dòng AKH-0.66P26 Máy biến dòng loại AKH-O 66P26 là máy biến dòng bảo vệ hỗ trợ màn hình cách điện AIM-M200, trong đó dòng điện tối đa có thể đo được là 60A và tỷ lệ biến đổi là 2000:1. Máy biến dòng được cố định trực tiếp bên trong tủ bằng cách bắt vít, mặt thứ cấp được dẫn ra ngoài bằng cực, thuận tiện cho việc lắp đặt và sử dụng.
    Máy định vị lỗi cách điện AIL150-4/AIL150-8 Máy định vị lỗi cách điện AIL150-4/AIL150-8 adopts high sensitivity transformer combined with a high precision signal detecting circuit, which detects the signal imported into the system from the ASG150 test signal generator and accurately locates the circuits which have insulation faults. AIL150-4 insulation fault locator can locate the insulation faults of 4 circuits, and the AIL150-8 insulation fault locator can locate the insulation faults of 8 circuits.
    Bộ tạo tín hiệu thử nghiệm ASG150 Bộ tạo tín hiệu thử nghiệm ASG150 sử dụng chip vi xử lý 32 bit và mạch tạo tín hiệu có độ chính xác cao để thực hiện việc tạo tín hiệu thử nghiệm cụ thể. Khi hệ thống CNTT được giám sát có lỗi cách điện, nó có thể khởi động và tạo ra tín hiệu kiểm tra kịp thời, làm việc với bộ định vị lỗi cách điện để nhận ra vị trí lỗi cách điện.
    Mô-đun nguồn HDR-60-24 Bộ nguồn một chiều HDR-60-24 có thể cung cấp đồng thời nguồn điện 24V DC cho AIM-M200
    thiết bị giám sát cách điện thông minh y tế, bộ tạo tín hiệu kiểm tra ASG150, bộ định vị lỗi cách điện dòng AIL150 và thiết bị hiển thị và báo động tập trung AID150. Nguồn điện có công suất cao, điện áp đầu ra ổn định và lắp đặt thuận tiện, có thể đáp ứng các yêu cầu cung cấp điện của các đồng hồ nói trên và là sản phẩm cung cấp điện được khuyên dùng.
    Thiết bị báo động và hiển thị tập trung AID1 50 Thiết bị hiển thị và báo động tập trung AID150 sử dụng màn hình tinh thể lỏng LCD và thực hiện trao đổi dữ liệu với thiết bị giám sát cách điện thông minh y tế AIM-M200 thông qua giao diện truyền thông RS485, có thể giám sát thời gian thực dữ liệu đa kênh của thiết bị giám sát cách điện thông minh y tế AIM-M200.

    Hình ảnh tại chỗ



Công ty TNHH Acrel